other
Produtos
Casa interruptor micro interruptor G20 Series Interruptor de ação rápida em miniatura 16A 250V Microinterruptor

Interruptor de ação rápida em miniatura 16A 250V Microinterruptor

Este microinterruptor pode transportar com segurança 16 A de corrente, pode atender facilmente aos requisitos de trabalho de vários equipamentos elétricos e garantir efetivamente a operação suave e o uso seguro do circuito.

  • Marca:

    Gangyuan
  • Item número.:

    G20-16DN-150-1141
  • PEDIDO (MOQ):

    100
  • Pagamento:

    100% T/T Before Production
  • Origem do produto:

    Zhejiang, China (Mainland)
  • Cor:

    Black
  • Porta de envio:

    Ningbo/Shenzhen
  • Tempo de espera:

    7-14 Working Days For Payment
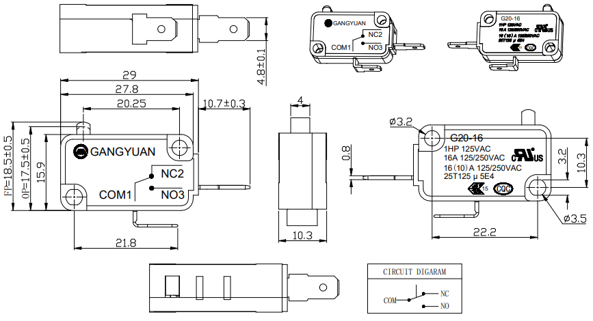
  • Largura

    27.80mm x 15.90mm
  • Tipo de montagem

    Through Hole
  • iluminação

    Non-llluminated
  • Classificação IP

    IP4X
  • Detalhes do produto

Microinterruptor de conexão rápida Momentary 25T125 0,8 mm para panela elétrica de arroz


Parâmetro


Tipo: Microinterruptor certificado pela UL

Faixa de temperatura operacional: -25℃~+125℃

Tensão nominal: 125/250 V CA
Classificação atual: 16A
Resistência de contato: ≤200MΩ

Resistência de isolamento: ≥100MΩ
Tensão dielétrica suportável: 1500 V CA 1 min

Temperatura de soldagem: 260士5℃ 5s
Força Operacional: 150士50gf
Tempo de vida (ciclos de acasalamento): 10000 ciclos


Desenho



Aplicativo


Eletrodomésticos: Adequado para máquinas de lavar, panelas elétricas de arroz, fornos de micro-ondas e outros eletrodomésticos, pode realizar vários controles funcionais do equipamento,

como a troca de lavagem e desidratação de máquinas de lavar, e a troca de cozimento e aquecimento de panelas elétricas de arroz.


Área industrial: Pode ser usado em linhas de produção automatizadas, máquinas-ferramentas, etc. para obter controle automático e proteção de equipamentos, como controlar a partida

e parada de correias transportadoras e substituição de ferramentas de máquinas-ferramenta.


Área automobilística: Aplicações em portas e janelas de automóveis, ajuste de assentos, controle de iluminação, etc.


Campo de iluminação: Pode ser usado para controle de interruptores de grandes equipamentos de iluminação para garantir a operação estável do sistema de iluminação.



Deixe um recado

Se Você está interessado em nossos produtos e quer saber mais detalhes, por favor, deixe uma mensagem aqui, vamos responder você assim que nós puder.

produtos relacionados
micro limit switch
Micro Interruptor Ultra Subminiatura interruptor de limite

Isso Micro Switch está livre de Overtravel Restrições, permitem uma configuração fácil

16A micro switch
Micro Alternador Pin, SPST-NO

3 ~ 26A Micro interruptor de corrente pesada, o G20 Série Snap-Ação O interruptor é ul certificado.

20A micro switch
16A Micro Micro Micro MAX Micro Curto Dobradiça Alavanca

Micros As bruxas têm três terminais rotulados C, Não, e NC, de pé para comum, normalmente aberto e normalmente fechado.

long lever micro switch
Micro interruptor com alavanca de dobradiça curva longa

16A 125 / 250VAC M. icro switches, adaptação a uma variedade de instalação.

T85 5e4 Micro Switch
mini 6a ON OFF T85 5E4 micro interruptor

G20-06En-150c-42: 6a 125 / 250VAC, 150± 50GF, 10.000 ciclos micro switch.

micro switch
2pin Micro comutador eletrônico

alta Quality10a 250VAC 5E4, 25T125, 2pin Micro comutador eletrônico

micro switch
Cherry Micro Switch 5A 125 / 250VAC

Alta Qualidade Mini Cherry Micro Switch 5A 125 / 250VAC Interruptor 250V 5E4 T125

Micro Switch
Eletrônica 125 / 250VAC Mini Micro Switch

125 / 250VAC 16A SPST-NO Eletrônica 125 / 250VAC Mini Micro Switch

direito autoral © 2026 Wenzhou Gangyuan Electronics Co., Ltd.. Todos os direitos reservados. Poder por.

Rede IPv6 suportada

principal

Deixe um recado

Deixe um recado

    Se Você está interessado em nossos produtos e quer saber mais detalhes, por favor, deixe uma mensagem aqui, vamos responder você assim que nós puder.

  • #
  • #
  • #
  • #
    Atualize a imagem